FONDEO DE LOS BUQUES
- Instalaciones de fondeo
El sistema de fondeo, además de ser un elemento más de la maniobra del buque, es el encargado de inmovilizarlo y substraerlo a la acción de la corriente y el viento mediante el uso de elementos que, unidos al buque, . son capaces de fijarse en el fondo. Dichos elementos deben poseer las cualidades, tanto por peso como por formas, que les permitan fijarse al fondo contrarrestando las tensiones a las que se puedan ver sometidos debido a los movimientos del buque producidos por agentes externos. Por otro lado, la conexión entre el buque y el elemento anterior ha de ser capaz asimismo de soportar dichas tensiones sin deformarse ni romperse, y al mismo tiempo, poseer la flexibilidad adecuada para permitir su estiba a bordo cuando el aparato de fondeo este recogido en el lugar destinado para ello en el buque. La unión de todos estos aparatos y elementos da lugar al sistema de fondeo propiamente dicho y que pasamos a describir.
Fig. 1: Instalación básica del sistema de fondeo
2. El ancla
Es una pieza, normalmente de hierro o acero, con forma de arpón o anzuelo doble, que, unida al buque por medio de un cabo, cable o cadena se aferra al fondo para mantenerlo inmóvil. Aunque en los primeros tiempos de la navegación se usaron piedras como sistema de fondeo, este instrumento fue evolucionando hasta la denominada ancla tradicional o de cepo, también conocida como ancla del Almirantazgo. Este tipo de ancla se usó hasta principios del siglo XX, en que fue sustituida por el ancla de Patente o Ancla de Hall mucho más práctica y efectiva que la anterior, ya que en esta las dos uñas se hincan en el fondo, mientras que el ancla de cepo solo usaba una de las uñas. Desde el punto de vista del trincaje a bordo, aspecto que tiene su importancia, es mucho más práctica el ancla de patente, ya que al carecer de apéndices externos o cepo, facilita su estiba y trincaje.
Fig. 2: Partes del ancla de cepo o Almirantazgo
Las partes del ancla son:
1) Caña.
2) Cepo (solo en el ancla de cepo).
3) Arganeo, grillete que une el ancla con la cadena.
4) Cruz.
5) Brazos, unidos a la caña mediante la cruz.
6) Uñas, la parte más aguda de la uña se denomina “Pico de Loro o de papagayo”.
7) Mapa, es la parte plana de la uña.
La función del cepo era la de asegurar que cada una de las uñas se hincase en el fondo ya que, como se puede observar en la figura 2, el cepo siempre queda perpendicular a la caña. Esto quedó solucionado dotando a los brazos de un movimiento de unos 40º de amplitud hacia ambos lados de la caña (ancla Hall), que hace, que por el propio peso y por las uñas, al ser sometida a una fuerza paralela al fondo, tienda a afianzarse y clavarse a él, de manera que sujeta el buque.
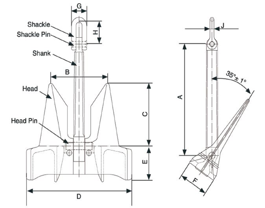
En la actualidad los buques están equipados con anclas sin cepo, con brazos articulados que pueden girar que pueden girar de 30º a 35º diseñados para morder el fondo con sus uñas enterrándose profundamente en él, siendo sus partes más importantes la cruz con las uñas que forma la cabeza del ancla (cuyo peso, incluidos los pasadores de seguridad, no será menor del 60% del peso total del ancla) a la que le une la caña con el arganeo y su pasador de seguridad correspondiente. El ancla que actualmente se está instalando es la japonesa AC-14 (HHP) con alto poder de amarre cuyos brazos articulados pueden formar un ángulo de 35º +/- 1º a cada lado con respecto a la caña. Estas anclas además ofrecen ventajas asociadas con su facilidad de estiba y manejo, ahorro de peso y eficiencia.
Fig. 3: Ancla tipo AC -14 (HHP)
Existen otros tipos de anclas usados generalmente en embarcaciones menores tales como:
– Ancla de arado o CQR. Presenta una única uña muy parecida a la reja de un arado de agricultura, que se clava en el fondo de un modo similar.
– Ancla de hongo. Este tipo sustituye los brazos y uñas tradicionales por un casquete esférico, quedando el ancla de una forma parecida a la de un hongo. Penetra en el fondo por succión. Se emplea cuando se trata de fondear buques durante largos períodos de tiempo en fondos blandos
– Rezón. Es un ancla de tres o más brazos, de menor tamaño que las anclas normales. Se emplea principalmente en embarcaciones pequeñas.
Fig. 4: Ancla de arado, de hongo y rezón
2.1 Homologación de anclas y equipo de fondeo
Todo el proceso de obtención de un ancla, desde su fase de proyecto y diseño hasta las pruebas a las que es sometida después de elaborada, debe ser supervisado por la Sociedad de Clasificación correspondiente.
En concreto, la Sociedad de Clasificación regula el tipo y calidad del material de que estará hecha así como el proceso completo de fabricación, distribución del peso total del ancla entre los diferentes elementos que la forman, todo ello de acuerdo con su normativa.
Por último, una vez obtenida el ancla, esta ha de pasar una serie de pruebas (de caída, de tracción, de martillado) cuya forma de realización ha de ser homologada por la Sociedad de Clasificación.
Una vez superadas todas las pruebas, el ancla puede ser llevada al buque para su montaje, una vez que la Sociedad de Clasificación haya procedido al reconocimiento oficial del ancla mediante su marcado y expedición del certificado correspondiente.
Todo esto es extensible al resto del equipo de fondeo (eslabones, grilletes, estopores, etc.).
2.2 Numeral del equipo (N.E.)
Las características del equipo de fondeo, amarre o remolque varían según el tipo de buque al que vaya destinado.
Para definir las características de los equipos se recurre a lo que se conoce como “Numeral del Equipo” o “N.E.”, el cual es un número adimensional, que se obtiene mediante fórmulas en las que se tienen en cuenta las características relacionadas con las dimensiones del equipo.
Las fórmulas para obtener el N.E. pueden variar según las Sociedades de Clasificación. Para el LLoyd’s y el Bureau Veritas la fórmula empleada es:
N.E. = ∆ SQR2/3 + 2 x B x H + 0,1 x A
∆: desplazamiento del buque
B: Manga máxima
H: Altura en m desde la marca de Cv (calado de verano) hasta la caseta más alta, despreciándose las de manga igual o inferior a B/4.
A: Área en m2 del casco, superestructura y casetas de anchura mayor a B/4.
Las pantallas (amuradas) de altura igual o superior a 1,5 m. se consideran como casetas a la hora de determinar H y A.
Una vez determinado el numeral, se consultan unas tablas y se elige el equipo de fondeo correspondiente.
2.3 Fuerza de agarre de las anclas. Rendimiento
Se define como rendimiento o eficacia de un ancla a la relación entre la máxima fuerza de agarre horizontal y su peso. Así, un ancla de 90 Kg. de peso con una fuerza de agarre horizontal de 900kg, tendría un rendimiento de 10 Kg.
La fuerza de agarre depende de tres factores y una variable
- Forma de las uñas.
- Superficie efectiva de las uñas (superficie del mapa), la cual debe ser lo mayor posible con relación al peso.
- De la estabilidad o habilidad para permanecer pegada al fondo sin voltear (tipo de diseño)
La variable sería el tipo de fondo. El mejor es el fondo de arena o arenoso fangoso, y los peores fondos o tenederos son los de fondo duro bien de roca o arcilla.
3 Cadenas
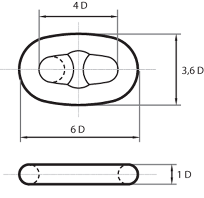
Las cadenas utilizadas en la maniobra de fondeo están compuestas por eslabones con contrete, que proporciona una mayor resistencia a la tracción y evita el aplastamiento y la deformación. Se denomina contrete a una pieza en forma de barra fabricada del mismo material que el eslabón, colocada en su diámetro menor.
Fig. 5: Eslabón con contrete
El tamaño de la cadena se mide por el calibre o diámetro de la barra de acero empleada en la elaboración del eslabón. El calibre de la cadena depende del tonelaje del barco pudiendo obtenerse mediante la fórmula:
C = 3 x ΔSQR1/3
C. Calibre de la cadena expresado en milímetros
Δ. Desplazamiento expresado en toneladas métricas
La cadena viene de fábrica en ramales, denominados largos de cadena o grilletes de cadena. Un grillete de cadena mide 27.5 m.
La longitud total de la cadena es el resultado de la unión de una serie de grilletes; esta longitud viene determinada por el tonelaje del buque y está regulada por las Sociedades de Clasificación. Esta longitud suele oscilar entre los 160 m. y los 330 m. por ancla. Para unir los diferentes grilletes de cadena se recurre al eslabón de unión o eslabón Kenter el cual se puede desmontar por su parte central tal como muestra la figura 6
Fig. 6: Eslabón de unión o Kenter
Las dimensiones de dicho eslabón son similares a las de los eslabones normales por lo que no se produce discontinuidad aparente en la cadena. Por otro lado, la unión entre la cadena y el ancla se realiza por medio del denominado grillete de entalingadura.
Fig. 7: Grillete de entalingadura y giratorio
Para evitar que la cadena tome vueltas cuando el buque bornea se inserta, entre el grillete de entalingadura y la cadena propiamente dicha, un grillete especial denominado grillete giratorio.
Fig. 8: Grillete giratorio
3.1 Caja de cadenas
Es el compartimiento del buque donde se estiban las cadenas de las anclas.
La situación de la caja de cadenas viene determinada por la posición del molinete, procurando situar dicho compartimiento debajo de éste y próximo a su vertical, para permitir un mejor paso de las cadenas hacia el exterior o el interior de la caja de cadenas.
Las cajas de cadenas suelen y deben tener una separación para estibar independientemente cada cadena y evitar que se enreden entre sí. Por otro lado, las cajas de cadenas deber permitir una buena accesibilidad al interior incluso con toda la cadena estibada.
En su interior es donde se fijan las cadenas al buque. La unión se realiza por medio de un cáncamo al que se conecta por medio de un eslabón de unión, pasador o un sistema de gancho disparo.
Fig. 9: Uniones al mamparo de la cadena del ancla (malla)
La posición de este sistema de sujeción debe encontrarse en un lugar fácilmente accesible en todas condiciones, para que, en caso de emergencia, la cadena pueda ser largada sin dificultad.
Fig. 10: Disposición general de la caja de cadenas
Las dimensiones de la caja de cadenas vienen determinadas por varios condicionantes:
– volumen ocupado por toda la cadena estibada,
– formas de la zona del casco donde se instale la caja
– características del equipo de virado (molinete).
El tubo que comunica la caja de cadenas con la cubierta, y por donde pasa la cadena desde ésta hasta el barbotén se denomina tubo de gatera o bocina. Suele tener una tapa que protege y evita que entre el agua de los rociones (golpes de mar) y el agua de lluvia en la caja de cadenas.
Existe otro tubo que comunica la cubierta de maniobra con el costado del buque o la amura, por donde sale la cadena y el ancla al exterior. Dicho tubo se denomina escobén. Cuando la cadena está virada, sirve a su vez para estibar el ancla. Al igual que la gatera, tiene los cantos reforzados y redondeados al objeto de que la cadena se deslice por ellos sin dificultad.
Entre el molinete y el escoben se encuentra el estopor que es un sistema que sirve de trincaje para el conjunto cadena y ancla. Hay de varios tipos, pero los más usados son los denominados de husillo o de guillotina.
Para completar el sistema de trincado del sistema de fondeo se emplea el freno del molinete y bozas o tensores de cable o cadena firmes por un extremo a la cubierta y por el otro a la cadena del ancla. Todas las precauciones son pocas teniendo en cuenta que éste equipo se encuentra en la misma proa, por donde el buque recibe todos los embates de la mar.
Fig. 11: Estopor tipo guillotina
Fig. 12: Diferentes tipos de bozas para cadenas de fondeo
3.2 Marcado de la cadena
Durante las maniobras de fondeo, para conocer en todo momento la cadena que hay en el agua, se practican marcas en las proximidades de los eslabones de unión de la cadena. Existen diferentes métodos de marcado. El más frecuente es el siguiente:
En primer lugar, se pintan de rojo todos los eslabones de unión (kenter). A continuación, se pintan de blanco, a un lado y otro del eslabón de unión, tantos eslabones como el número que corresponda de grillete. Para marcar el primer grillete se pintará un eslabón blanco a cada lado del grillete de unión; para marcar el segundo grillete se pintarán de blanco dos eslabones a cada lado del grillete de unión y así sucesivamente.
Suele ser también costumbre marcar con un alambre enrollado en el contrete del eslabón correspondiente al número de grillete. Así, el marcado del grillete nº 4, tendrá cuatro eslabones pintados de blanco a cada lado del grillete de unión (pintado en rojo) y un alambre enrollado en el contrete del eslabón nº 4.
Otro sistema es el pintado de colores los grilletes de unión. El primer grillete se pinta de rojo, el segundo de blanco y el tercero de azul. A partir del cuarto y hasta el sexto se repite el ciclo, y así sucesivamente.
También es recomendable pintar todos los eslabones de los dos últimos grilletes. El antepenúltimo de color amarillo, y el último de color rojo.
Tabla 1: equivalencia entre medidas inglesas y el SMD

Fig. 13: Marcado de la cadena
4 Introducción a la maniobra con anclas
El arte de fondear es de suma importancia para el hombre de mar, y su importancia no ha disminuido en nada pese al desarrollo tecnológico experimentado en los buques en los últimos tiempos.
A veces, los capitanes se olvidan de sacar el debido partido al equipo de fondeo; y a tal motivo se podría hacer la siguiente aseveración: “El ancla de un buen maniobrista pasa la mayor parte del tiempo en el fondo, siendo útil a las maniobras del buque, en vez de eternizarse acumulando óxido en el escobén”.
Todo buque fondea infinidad de veces a lo largo de su vida útil y a menos que sus anclas, cadenas y equipos asociados sean eficientes y se encuentren en perfecto estado de funcionamiento, no serán capaces de aguantar los duros esfuerzos que les impondrán los malos tiempos y las fuertes corrientes de marea en los fondeaderos, con el consiguiente sufrimiento de la tripulación por falta de descanso, además de la sobrecarga de las máquinas y otros servicios durante la permanencia del buque en el fondeadero. Resumiendo, y por todo lo expuesto, no se debe nunca descuidar la conservación del sistema de fondeo.
4.1 Planificación de la maniobra de fondeo
Como toda maniobra, la de fondeo requerirá de una estrategia y una planificación previa, una ejecución de acciones de maniobra y un procedimiento de comprobación y vigilancia posteriores, que garanticen el menor riesgo y la mejor eficacia en el objetivo que se pretende alcanzar.
En la maniobra de fondeo se tendrán en cuenta todas y cada una de las condiciones y circunstancias propias y externas que puedan influir en la realización de la maniobra, tales como:
- El número de anclas que se requieren y orden de utilización (cuál es la primera para fondear). De ser una, el costado elegido se hará bien por el movimiento relativo esperado por el buque, por su estado de mantenimiento y conservación o por el largo de cadena disponible.
- El rumbo y velocidad en la maniobra de aproximación, al considerar la deriva y el abatimiento creados por los agentes externos, siempre en base a los efectos, a los obstáculos o puntos críticos de la maniobra. El viento siempre de proa.
- Determinación de las distancias de seguridad en relación con el entorno y para cada fase de la maniobra.
- Personal de la tripulación necesario para la manipulación y necesidades del equipo.
- Plan de guardia de fondeo.
La maniobra debe ser realizada por un Oficial competente y experimentado que pueda asumir ciertas decisiones en cualquier circunstancia durante la maniobra. Para ello es recomendable que antes de iniciar la propia maniobra de fondeo el Oficial participe y reciba directamente las indicaciones del Capitán.
4.2 Elección del fondeadero
En las proximidades de muchos puertos, la elección del fondeadero no es un problema, ya que el punto de fondeo es asignado por la autoridad marítima competente.
En otras ocasiones, especialmente cuando se trata de puertos o radas poco frecuentados, el Capitán será quien tendrá que seleccionar el fondeadero que más convenga para el buque. Por tal motivo, debe realizarse por anticipado un estudio de la zona, consultando todas las fuentes de información disponibles (derroteros, portulanos, etc.), además de observar las condiciones medioambientales del momento.
Para la elección se deben tener en cuenta muy diversos factores tales como:
– extensión del fondeadero,
– profundidad y pendiente del fondo,
– calidad del tenedero,
– fuerza y dirección de los vientos predominantes,
– intensidad y sentido de las corrientes. Si las corrientes son de origen mareal, situación de la marea en el momento de la maniobra,
– tráfico marítimo de la zona,
– facilidades náuticas de la zona para tomar y abandonar el fondeadero,
– duración del tiempo de fondeo y actividades a desarrollar durante ese tiempo y
– proximidad de peligros u obstáculos al punto de fondeo tales como: muelles para embarcaciones menores, bajos, cables submarinos o cualquier otro tipo de instalaciones.
4.3 Extensión del fondeadero
El fondeadero debe tener la amplitud suficiente para permitir que los buques allí fondeados puedan bornear libremente con un adecuado margen de seguridad, considerando sus esloras y longitudes previstas de cadena a filar, y tomando debido resguardo de los peligros o buques próximos en caso de garrear. Así pues, el radio de borneo se debe establecer inicialmente sumando a la eslora del buque la longitud de cadena que se prevé filar. A este respecto, sería más prudente sumar la cantidad total de cadena disponible, para así cubrir la posibilidad de que por fuertes vientos sea necesario filar parte o el total de la cadena. A todo esto, se sumará una distancia adicional de seguridad, destinada a paliar errores tales como los debidos a la situación del punto de fondeo, tardanza entre la orden de: “¡ FONDO !” y el instante en que el ancla afirma sobre el tenedero. Esta distancia adicional dependerá del tamaño del buque, pudiendo aceptarse valores similares a una eslora.
Si hubiese otros buques fondeados en las proximidades, el punto de fondeo se determinará como mínimo a una distancia igual a dos veces el radio de borneo calculado.
4.4 Sonda
La profundidad depende principalmente del calado del buque y de la amplitud de la marea. La profundidad mínima aceptable estará siempre por encima de la bajamar escorada; y si se trata de una zona abierta, por encima de la línea de rotura del oleaje. Por otro lado, la profundidad máxima dependerá de la longitud de cadena disponible. Respecto al relieve del fondo, es aconsejable que este no presente grandes pendientes, ya que, si la cadena trabajase en dirección de la pendiente, el ancla podría deslizarse y garrear con facilidad.
4.5 Calidad del tenedero
Normalmente en las cartas y derroteros se indica el tipo de fondo.
Se considera buen tenedero el compuesto por fango duro, conchuela, arena fangosa y arena gorda. Las anclas tipo Hall tienen aquí un agarre igual a cuatro veces su peso y las AC-14 8 veces.
Los tenederos de calidad aceptable son aquellos compuestos de arcilla, cascajo y arena fina. La eficacia de las anclas tipo Hall es de tres veces su peso y diez para las AC-14. Si nuestra ancla garrea en arcilla lo aconsejable será izarla y limpiarla hasta de volver a intentar el fondeo de nuevo.
Son malos tenederos los de fango blando, piedra y coral. La eficacia de agarre de las anclas citadas arriba baja hasta solo dos veces su peso.
4.6 Abrigo de viento y mar
Se debe elegir un fondeadero de acuerdo con los vientos reinantes o pronosticados buscando el mayor resguardo posible, tratando asimismo de lograr suficiente protección contra los efectos del mar y la resaca producida por este.
Es aconsejable fondear más cerca de la costa de barlovento para disponer de mayor espacio libre en caso de percance (garreo).
4.7 Corrientes
Una corriente, según en qué dirección y con qué intensidad actúe, puede hacer garrear a un buque fondeado, especialmente cuando este, por acción de la corriente, se atraviesa al viento, o cuando el tenedero no es de buena calidad.
En estas circunstancias se debe estar atento a los cambios de la corriente, y si el fondeadero no merece suficiente confianza, se debe poner la máquina en atención.
4.8 Tráfico marítimo en la zona
No se debe fondear en las proximidades de las rutas más frecuentadas, sobre todo en condiciones de mala visibilidad.
4.9 Facilidades náuticas de acceso y salida del fondeadero
En lo posible, se debe elegir un fondeadero de fácil entrada y salida, tanto diurna como nocturna y que cuente con un adecuado balizamiento natural o artificial que permita situar al buque tanto al transitar su acceso como durante su estancia.
5 Precauciones durante el fondeo
5.1 Garreo
El ancla garrea cuando no queda firme al fondo. Esto puede suceder, como ya se mencionó, por la calidad del fondo (demasiado blando o duro), por las malas condiciones meteorológicas (demasiado viento y mar) o cuando el ancla queda encepada (parte de la cadena fondeada sobre dicha ancla).
En ocasiones se anula el garreo filando más cadena. De esta forma conseguimos que la tracción de esta sea paralela al fondo, que es la situación de máxima efectividad como se demostrará más adelante. Si no se consigue vencer el garreo filando cadena, lo único efectivo será virarla y dirigirse a otro lugar o a mar abierta para capear el temporal.
El Capitán tendrá en cuenta los siguientes puntos cuando calculen el tiempo que pueden necesitar al garrear su ancla, mientras restablecen la maniobrabilidad de su barco:
– estimar un círculo con un radio mínimo de borneo formado por la cadena más la eslora total del buque.
– valorar la velocidad del buque cuando el ancla garrea bajo la fuerza de la presión del viento, ya que puede alcanzar aproximadamente los 3 o 4 nudos.
– calcular el tiempo necesario para virar el ancla y su cadena. La cadena se recuperará a un promedio de 9 metros por minuto; es decir, virar un grillete llevará sobre 3 minutos, pero puede darse la circunstancia (que por desgracia se da) de no poder virarla de forma continuada.
– considerar el tiempo necesario para alistar la máquina principal. Es importante tener la máquina en ATENCIÓN si empeoran las condiciones meteorológicas y si se prevé que el ancla garree.
– sopesar el tiempo necesario para conseguir suficiente velocidad de propulsión cuando se restablezca la maniobrabilidad después de que el buque haya sido empujado a sotavento con el viento por el través.
Fig. 14: Filar cadena para evitar el garreo
Fig. 15: Imagen ECDIS y RADAR de un garreo
5.2 Borneo
Fig. 16: Radio de borneo de un buque fondeado a la gira
Se denomina borneo al movimiento circular que describe una embarcación alrededor de la posición de fondeo. El centro de este círculo está dado por el ancla arraigada al fondo y el radio de borneo (RB) de un buque mercante fondeado a la gira se puede calcular sumando los conceptos representados en la siguiente expresión (ver figura 16):
RB = ET + LC + DS + MS + RS
ET. Eslora total del buque medida a nivel de la cubierta a la intemperie
LC. Longitud de cadena que se prevé filar en el fondeadero
DS. Distancia adicional de seguridad (entre un 20 y un 25% de la eslora total)
MS. Margen apropiado de garreo del ancla (consultar tabla)
RS. Resguardo de seguridad que puede cifrarse en un 10% de la eslora total
| Margen de seguridad (MS) | ||
| Velocidad del viento | Resistencia del fondo | |
| Mala | Buena | |
| <= 10 m / s | 0 m. | 30 m. |
| Hasta 20 m / s | 60 m. | 90 m. |
| Hasta 30 m / s | 120 m. | 150 m. |
| >= 30 m / s | 180 m. | 180 m. |
Tabla 2: Margen de seguridad
6 Cálculo de la longitud de cadena (Lc) a filar
Para una profundidad determinada, la longitud ideal de cadena a filar resulta ser la de una catenaria que asegure una tracción sobre el arganeo del ancla, cuando el esfuerzo que el buque ejerce sobre la cadena es igual a la carga de trabajo de aquella. Si ese esfuerzo crece, la tensión de la cadena aumenta, la curvatura de la catenaria decrece y se genera una componente vertical que tiende a levar el ancla haciéndola garrear antes que la cadena se vea sometida a esfuerzos anormales. Si por filar poca cadena no se logra tal fin, el ancla garreará con toda seguridad. Una longitud de cadena mayor a la ideal puede someterla a esfuerzos superiores a su carga de trabajo con riesgo de deformación o rotura.
| Métodos empíricos para Calcular la Longitud de Cadena | ||
| Condición meteorológica | Método japonés (metros) | Método inglés (metros) |
| Buen tiempo | LC = 3xSC + 90 | LC = 39x√SC |
| Regular o mal tiempo | LC = 4xSC + 145 | LC = 1.55x√SC |
Tabla 3: Métodos empíricos de cálculo de longitud de cadena a largar
| Seaways Magazine – 1983 | ||
| Buque (TPM) | Longitud estimada de cadena | |
| Carga (metros) | Lastre (metros) | |
| 20.000 – 50.000 | 7 x sonda | 9 x sonda |
| 50.000 – 90.000 | 7 x sonda | 9 x sonda |
| > 90.000 | 6 x sonda | 8 x sonda |
Tabla 4: Longitud de cadena a largar (Seaways Magazine – 1983)

Fig. 17: Longitud de cadena a filar
Una vez calculada la longitud de la catenaria en metros, la traducimos a grilletes (1 grillete 27,5 m).
En la práctica, la doctrina clásica nos dice que se deben fondear de 3 a 4 veces el fondo para estancias cortas y con buen abrigo y de 5 a 7 veces para largas estancias o condiciones adversas.
Un aspecto importante a la hora de fondear es conocer el material del que están fabricadas nuestras anclas y cadenas.
En la actualidad se emplean diferentes materiales para la fabricación de cadenas, siendo las más comunes las de hierro forjado y las de acero forjado (consultar norma IACS UR-A1). A igualdad de dimensiones, las de acero forjado son aproximadamente un 40% más resistentes que las de hierro forjado y, en consecuencia, para un mismo buque las de acero forjado resultan ser de menor tamaño, menos pesadas y más fáciles de manipular y estibar, pero “a priori” puede establecerse que se necesitará una mayor longitud de cadena de acero forjado que de hierro forjado para lograr la misma tracción horizontal sobre el ancla.
Supongamos dos buques de igual tamaño y en las mismas condiciones: igual sonda, viento, mar y corriente, fondeados con la misma longitud de cadena, pero con la diferencia de que el buque “A” emplea cadena de hierro forjado y el buque “B” por el contrario de acero forjado. No hay duda, que los senos de las cadenas se dispondrán con diferente curvatura.
En el caso del buque “A”, su catenaria será más pronunciada y profunda debido a su mayor peso, haciendo que la proa se encuentre más cerca del ancla que la proa del buque “B” de la suya. Por lo tanto, puede suceder que, para unas mismas condiciones meteorológicas, mientras el buque “A” mantiene un ángulo α = 0, el buque “B” pierda esta condición, por lo que debería filar más cadena para igualar el peso de su equivalente en hierro forjado.
Fig. 18: Filar cadena según el material de la cadena
En la figura 18 el buque fondea “A” con cadena de hierro forjado y el buque “B” con cadena de acero forjado. Para una Ft igual a ambos buques, L = L’; P > P’; D < D’.
Por último, podríamos decir que la longitud ideal de cadena a filar para un determinado esfuerzo del buque sobre la cadena y una determinada profundidad es la que provee una catenaria tal que asegure una tracción horizontal sobre el arganeo del ancla. Si ese esfuerzo se hace mayor la tensión de la cadena aumenta, la curvatura de la catenaria decrece y se genera una componente vertical que tiende a levar el ancla haciéndola garrear.
7 Fuerzas que intervienen en la maniobra de fondeo
Fig. 19: Fuerzas que intervienen en la maniobra de fondeo
En las condiciones teóricas del ancla fondeada están en juego las siguientes fuerzas:
F. Fuerza resultante de todas aquellas ejercidas por agentes externos, por la cual el buque hará cabeza sobre el ancla. Los agentes externos de posible inclusión son los debidos al viento, corriente, los provocados por el oleaje del viento actual o anterior y los de carácter extraordinario creados por los hielos a la deriva en su roce con el casco.
T´. Fuerza de resistencia sobre el fondo, opuesta al deslizamiento (garreo) que ofrece el ancla y la cadena en su conjunto.
P. Peso de la cadena que no descansa sobre el fondo, desde el eslabón del que zarpa hasta el que está situado en el primer punto de contacto con el escobén. Precisamente es el que se considera más crítico por ser el que recibe toda la agresión del roce y solicitudes de dirección variable si bien, realmente, el lugar donde la cadena ejerce todo el esfuerzo es en los engranajes del barbotén, mordaza o estopor, según la fase de la maniobra.
A. La reacción del ancla sobre el elemento de cadena al cual está entalingada.
T. Es la fuerza que resulta de la descomposición de la fuerza F sobre la tangente de la cadena en el escobén y la vertical, que es justamente la tensión que se ejerce sobre el eslabón que descansa en él.
En cuanto a los ángulos considerados tenemos:
α: ángulo que forma el primer eslabón de la cadena con el fondo.
β: ángulo que forma el último eslabón con el fondo (eslabón del escobén).
Existen diversos métodos para la cuantificación de las fuerzas descritas anteriormente. Nosotros estudiaremos un planteamiento clásico que relaciona las tres fuerzas fundamentales (T, T´y F) y los dos ángulos básicos (α y β). Con este método se pretende garantizar, simplemente interpretando las fuerzas, que el ancla no garreará mientras T´= F, condición de eficacia si se mantiene el valor del ángulo α = 0º.
Veamos la demostración:
| T´ | = | T | = | P |
| sen (90º – β) | sen (90º + α) | sen (β – α) |
o lo que es lo mismo:
| T´ | = | T | = | P |
| cos β | cos α | sen (β – α) |
de donde:
| T´ | = | T.cos β |
| cos α |
y al ser:
F = T.cos β
sustituyendo:
| T´ | = | F |
| cos α |
De la última ecuación se deduce que la tensión sobre el ancla será mínima e igual a la fuerza F cuando el denominador sea igual a 1 (valor máximo), sucediendo solo cuando el valor de α = 0º, siendo máxima para α = 90º
Para ángulos a distintos de cero, el poder de agarre disminuye en función a la siguiente tabla:
a = 0º poder de agarre = 100%
a = 5º poder de agarre = 80%
a = 10º poder de agarre = 60%
a = 15º poder de agarre= 40%
8 Preparativos para fondear
Durante la aproximación al fondeadero se retiran tapas de escobenes y gateras, siendo aconsejable inspeccionar caja de cadenas. Se prueba el molinete, se engrana el barbotén y se destrinca la cadena, inspeccionando visualmente el tramo que va desde el barbotén hasta el escobén para verificar que todo está claro. Seguidamente se apea el ancla sobre el molinete, dejándola a la pendura a una distancia próxima a la superficie del agua; seguidamente se frena y se desengrana, quedando lista para dar fondo cuando recibamos la orden.
Momentos antes de llegar al fondeadero, desde el puente se dará aviso de listos para fondear. A la voz de: “¡¡Fondo!!” se suelta el freno, quedando el ancla libre y cayendo al fondo. En ese momento se toma posición del buque.
El objeto de tomar la posición del buque en el momento de dar fondo es para poder posicionar el ancla y posteriormente, cuando finalice la maniobra de fondeo, poder calcular el radio del círculo de borneo. Por tal motivo, se han de tener en cuenta una serie de consideraciones.
Si la posición se toma por coordenadas GPS, se debe tener presente que las coordenadas se refieren a la posición de la antena y, si el buque es de puente a popa, la distancia de la antena (generalmente colocada en el palo de señales o sobre la cubierta magistral) a proa está cercana a la eslora del buque. Por tanto, a la posición en la carta habrá que añadir en la dirección de la proa una distancia tal a la distancia de la antena a proa, para posicionar el ancla.
Cuando se fondea en aguas profundas, no se da fondo al ancla desde el freno, sino que se fondea con la el barbotén engranado, de manera que el ancla salga poco a poco hasta tocar fondo, para seguidamente desengranar y seguir filando sobre el freno.
Durante la maniobra de fondeo pueden escucharse las siguientes expresiones:
- ¿por dónde llama la cadena?: dirección por donde está extendida la cadena. Esta puede llamar por largo, de esprín, de través o a pique, vertical hacia el fondo.
- ¿cómo trabaja la cadena?: es decir, que esfuerzo está soportando. La respuesta puede ser: poco, mucho o “a pique” sinónimo de nada. También se emplean los vocablos: está empezando a templar, esta templada, está muy templada (que trabaja mucho).
La salida de cada grillete se comunica al puente por voz y con toque de la campana de fondeo (un toque salió el primer grillete, dos toques salió el segundo grillete, etc.)
9 Métodos para fondear
9.1 Con un ancla
9.1.1 Fondeo a la gira tradicional
Así se denomina a la maniobra de fondear con un ancla por la proa (bien la de babor o la de estribor) aproados al viento y / o corriente.
Una vez elegido el lugar de fondeo navegamos hacia el mismo a poca velocidad y a un rumbo tan próximo como sea posible de aquel al cual deberá quedar aproado el buque; esto puede deducirse de manera muy simple por la proa que tienen otros buques fondeados, impresión que sin duda confirmará nuestras propias deducciones basadas en los equipos de posicionamiento y viento que tenemos a bordo.
Al llegar al punto considerado lo haremos parados o con una ligerísima arrancada atrás mientras en cubierta filamos cadena poco a poco, aguantando de vez en cuando a fin de conseguir que la cadena se vaya depositando estirada sobre el fondo y no amontonada sobre el ancla. Si la resultante del viento y / o corriente no fueran suficiente para lograr dicho efecto podremos utilizar la máquina para ciar teniendo en cuenta que, a efectos prácticos, cuando la estela llegue al alerón significa que nuestro barco está parado. Si dicha estela se va hacia proa es que vamos navegando atrás. Llegado el momento deberemos dar una palada avante para parar la arrancada del barco.
Una vez han salido los grilletes deseados se hace firme y se espera a que el barco haga cabeza y quede bien aproado al viento y corriente.
Fig .20: Efecto de viento, corriente y máquina en la maniobra de fondeo
9.1.2 Fondeo a la gira en U-turn (método ortogonal)
Si bien es un sistema con un largo precedente histórico no es hasta el año 2000 cuando el Capitán Allan McDowall efectuó el análisis matemático y físico de este método, fecha a partir de la cual los armadores comenzaron a incorporar el mismo a sus procedimientos.
El secreto de la aproximación al punto de fondeo consiste en entender que el movimiento del casco del barco es independiente del movimiento de la cadena y que cambiamos la fuerza longitudinal que ejerce esta por otra fuerza de tipo rotacional. El objetivo del método estriba en fondear el ancla y filar cadena con el barco moviéndose lateralmente sobre el lecho del tenedero a una velocidad aproximada de 0,5 nudos manteniendo la cadena sobre el través hasta que la velocidad del buque sea cero. El movimiento lateral es muy suave pero el giro siempre parará al buque.
Fig. 21: Esquema del fondeo utilizando el método U-turn
Atendiendo a la figura 21 veremos este método paso a paso.
1. la aproximación al punto de fondeo se realiza con el barco navegando con el viento / mar / corriente por la popa avante a 3 / 6 nudos en función de la ocupación del fondeadero.
2. Al través del punto de fondeo metemos todo el timón hacia la banda de este. Al empezar a caer paramos máquina y mandamos abrir el estopor de la cadena que vayamos a fondear.
3. En este punto, si por cualquier razón el viento llega a incidir sobre la banda contraria, la maniobra se puede estropear. Recordemos que cuanto mayor sea la velocidad de aproximación mayor será el traslado lateral, con lo que el riesgo de recibir el viento por el sotavento inicial (valga la expresión) se minimiza.
4. Aquí comienza el traslado lateral. El rumbo difiere 45º del inicial. La acción de giro junto con el área lateral proyectada por el buque bajo el agua, tras una evolución de 120º a la que llegaremos en el punto 6, para o reduce mucho su inercia avante. Si en este punto optamos por meter “poca atrás” lo haremos muy conscientes de no empezar a ciar, lo que arruinaría la maniobra.
5. Cuando el rumbo inicial haya variado 90º, la componente mayor del movimiento del barco será la lateral contando con una pequeña componente avante. Apearemos el ancla un número determinado de grilletes sobre la cubierta.
6. Estamos a 135º del rumbo inicial y la acción conjunta del viento / mar / corriente deberían haber conseguido que el movimiento avante fuera nulo. Para garantizarlo puede ordenarse una palada “poca atrás” (recordamos que la proa de un barco, partiendo del reposo y con el timón metido a estribor, al dar máquina atrás tenderá a caer a estribor en un primer momento). Fondeamos el ancla filando seguido toda la cadena prevista, controlando con el freno para conseguir identificar a simple vista los grilletes; si esto no se cumple se estará filando la cadena demasiado rápido.
7. Permitimos la salida de la cadena hasta el grillete seleccionado, frenamos y cerramos la guillotina del estopor (acción opuesta a lo que la mayoría de los capitanes aprenden de otros). Ahora estamos en el punto crucial de seguridad del fondeo. Conviene recordar que el freno de la cadena está diseñado para controlar el movimiento de las cadenas y que, por el contrario, el estopor está preparado para mantener la masa del buque. Así, el buque continuará con su lenta deriva lateral y debido a ella irá extendiendo de forma progresiva la cadena por el lecho del fondeadero formando siempre un ángulo recto (de ahí lo de ortogonal) con la línea de crujía del barco. Es fundamental que el ODG verifique que la cadena trabaje de través y que lo comunique al puente para que el Capitán maniobre con pequeñas paladas avante o atrás según sea necesario.
8. En este momento toda la cadena está trabajando sobre el estopor y perpendicular a crujía hasta que la tensión afloja. Es entonces cuando el barco comenzará a aproarse al viento y tenderá a irse a popa por efecto del viento / mar / corriente. De nuevo podrá ser necesario controlar este efecto usando la máquina.
9. Hemos alcanzado la posición final. La proa está aproada al viento / mar / corriente y la cadena habrá seguido un arco sobre el lecho del tenedero actuando como un amortiguador de choque adicional.
La duración total de la maniobra está en torno a los 12 o 15 minutos desde el inicio de la evolución hasta la parada de la proa si se hace fluidamente, incluso para grandes buques.
9.1.3 Fondeo de emergencia navegando en aguas someras
Se denomina también fondear a la inglesa, y es el método que empleaban antiguamente los buques de vela, cuando carecían de motor. Consiste en fondear recibiendo la fuerza de arrastre (viento y/o mar) por la popa o la aleta de la banda de fondeo, con la menor arrancada posible. La cadena se va tendiendo sobre el fondo, arriándose poco a poco a medida que el buque avanza. Una vez arriada toda la cadena que se pretendía fondear se hace firme, esperando a que el buque bornee aproándose al viento / mar.
Fig..22: Maniobra de fondeo con arrancada avante (a la “inglesa”)
9.2 Con dos anclas
Generalmente el empleo de las dos anclas en la maniobra de fondeo está destinado a disminuir el radio de giro de borneo del buque, dejándolo prácticamente a un valor igual a la eslora de éste. Su empleo puede ser o bien las dos anclas por la proa o bien una por la proa y otra por la popa.
9.2.1 Las dos por la proa
Se denomina así a la maniobra consistente en largar dos anclas por la proa y casi paralelas entre sí que se usa, más que para un fondeo propiamente dicho, para atracar el buque en punta con la popa firme a tierra o a una boya y la proa firme mediante las dos anclas.
También se denomina atraque mediterráneo.
Fig. 23: Atraque en punta o atraque mediterráneo (Ciudad de Algeciras en Gijón)
Para entender la maniobra observemos la figura 23:
1. Navegamos en paralelo al muelle y a una distancia de este aproximadamente igual a la suma de la eslora del barco y la cadena a filar.
2. Una vez que la proa se encuentre en la perpendicular del punto de atraque se da fondo al ancla de la banda de fuera (en este caso estribor), con todo el timón metido a esa banda para caer hasta que la popa quede enfilada con el punto de atraque.
3. Una vez el buque está perpendicular al muelle damos atrás y fondeamos el otro ancla (en este caso babor).
4. Vamos filando cadena de las dos anclas hasta que salga el número de grilletes proyectados. Seguidamente se darán cabos a tierra y se virará de cabos y cadenas hasta que quede todo bien templado.
Fig. 24: Maniobra de atraque en punta o atraque mediterráneo
9.2.2 Fondeo a barbas de gato
Este método se emplea para disminuir el radio de borneo del buque fondeado. Consiste en dejar fondeadas las dos anclas abiertas por las amuras formando un número n de grados (90º < n < 180ª).
Para calcular el ángulo óptimo que deben formar las cadenas en el fondeo a barbas de gato observemos la figura 24 y el desarrollo posterior. En un primer vistazo ya nos percatamos que, si el ángulo α es muy pequeño, las cadenas no podrán aguantar la tensión y, o bien faltarán o el ancla garreará.
Por otra parte, si α es demasiado grande estaremos hablando del caso anterior, fondeo de las dos por la proa.
Fig. 25: Ángulo óptimo de las cadenas en el fondeo a barbas de gato
Como se aprecia, las anclas deben estar fondeadas sobre la denominada línea de fondeo, línea imaginaria perpendicular a la dirección del viento.
Supongamos un buque fondeado a barbas de gato en una zona donde sopla un viento que ejerce sobre el buque una presión de 20 mT, formando cada una de las dos anclas un ángulo de 10º (α = 10º) con la línea de fondeo F-F’.
Según lo dicho, A’- A = 20 mT, luego OA’ = 10 mT
El esfuerzo soportado por cada cadena sería:
| Esfuerzo de cada cadena | = | A´F | = | A´F´ | = | OA´ |
| sen 10º |
| A´F´ (esfuerzo de la cadena) | = | 10 mT | = | 58,8 mT |
| 0,17 |
Como se puede apreciar con este sencillo cálculo, para un ángulo α = 10º, el esfuerzo soportado por cada cadena es excesivo. Por tanto, podríamos plantear el problema de otra forma; es decir, ¿qué valor tendría α para un esfuerzo de cadena A’F’=20 mT?
| senα | = | OA´ | = | 10º | = | 0,5 | α | = | 30º | |
| A´F´ | 20 mT |
En el triángulo A’OF’, si a = 30º y el ángulo en O = 90º (ángulo recto), b ha de valer 60º; luego el ángulo que forman las cadenas del ancla cundo el buque está fondeado a barbas de gato ha de valer 120º.
Por otro lado, el triángulo AFA’ es igual al AF’A’ y además equilátero, ya que sus lados y ángulos son iguales (60º); entonces FO=F’O y FF’=2F’O (1)
Así:
α = 30º cos 30º = F´O / A´F´ F´O = A´F´ x cos30º (2)
Sustituyendo (2) en (1):
FF´= 2 x (A´F´ x cos30º)
Sabemos que el cos30º = 0,86, luego FF´= 1,73 x A´F´, donde:
A´F´ es la cadena filada
FF´ es la separación entre anclas
De acuerdo con lo expuesto, la maniobra se realizará de la siguiente manera:
1. Se navegará perpendicularmente a la dirección del viento fondeando primero el ancla de barlovento y vamos filando hasta el doble número de grilletes de los que queremos menos uno.
2. Filada esta cadena, se fondea el ancla de sotavento.
3. Ayudados por el viento, máquina atrás y timón, filamos la cadena de babor al mismo tiempo que viramos la de estribor hasta que ambas queden igualadas en número de grilletes (4).
Fig. 26: Maniobra de fondeo a barbas de gato
9.2.3 Fondeo a la entrante y a la vaciante (una hacia proa y otra hacia popa)
Esta forma de fondear se utiliza cuando es necesario reducir el círculo de borneo lo más posible. Esto sucede cuando se fondea en ríos y canales afectados por la marea (entrante y vaciante). Se consigue fondeando el mismo número de grilletes de las dos anclas, pero quedando estas una por la proa y otra por la popa, de forma que, al bornear, el radio del círculo sea igual a la eslora del buque. La maniobra que debemos realizar para quedar fondeado de esta forma varía en función de la situación de la marea, diferenciándose la maniobra de fondeo cuando la marea está subiendo (entrante) o cuando la marea está bajando (vaciante).
Fig. 27: Maniobra de fondeo a la entrante y a la vaciante
Para fondear a la entrante observaremos la parte izquierda de la figura 27 y así:
1. Damos fondo estribor filando cadena ayudados por la corriente, que en este caso nos empuja de popa, hasta que hayan salido el número de grilletes con los que queremos quedar fondeados (en este caso 3).
2. Alcanzado ese punto hacemos firme la cadena revirando el buque por efecto de la corriente, hasta quedar proa a esta.
3. Seguimos filando cadena hasta dejar en el agua 6 grilletes que es el doble número de grilletes con los que queremos dejar fondeada cada ancla. En ese momento fondeamos babor, virando de la cadena de estribor y filando de la de babor, hasta que hayamos virado tres grilletes en estribor y filado otros tres en babor.
4. Estaremos en posición fondeados con un ancla por la proa y otra por la popa con tres grilletes cada una.
Para fondear a la vaciante tendremos en cuenta la parte derecha de la misma figura:
1. El buque se aproxima al punto donde va a quedar fondeado con la corriente por la proa.
2. A una distancia igual a la cadena que se va a fondear. Fondo babor
3. Filamos hasta que salga el doble de grilletes que queremos fondear, y firme. Fondo estribor.
4. Con la máquina parada, y empujados por la corriente, filamos de estribor y viramos de babor, hasta que las dos cadenas queden igualadas.
10 Permanencia en el fondeadero
En los momentos posteriores al fondeo, una vez que el ancla ha agarrado en el fondo y se han filado los correspondientes grilletes de cadena, el buque se aproa a la fuerza externa dominante (viento, corriente, oleaje) alcanzado así su posición de equilibrio. A consecuencia de la inercia del buque la posición de equilibrio se alcanza tras haber oscilado alrededor de ella durante algún tiempo; éste depende de la fuerza del viento y de las características del buque.
Si además existe corriente, el buque se aproará a la resultante de viento y corriente.
En los casos en que se da la presencia de viento, corriente y oleaje, la fuerza resultante no coincide con la dirección de las olas, con lo que el buque puede quedar atravesado creando una situación molesta e incluso peligrosa. Hasta aquí las condiciones de equilibrio del buque fondeado se puede decir que son estáticas. Con fuerte oleaje y viento racheado, el buque fondeado se comporta de otra manera. El efecto combinado del oleaje, rachas de viento y la elasticidad de la cadena, hacen que el buque adquiera un movimiento de oscilación alrededor del punto de fondeo denominado campaneo. El buque pasa de la posición 1 a la 5 y de la 5 a la 1 (ver figura 2.70) con un ritmo que depende de las rachas de viento, formas del buque etc. Este fenómeno se aprecia perfectamente en las cartas electrónicas empleando la escala adecuada.
El campaneo de un buque aumenta cuanta más cadena ha sido filada.
Fig. 28: Efectos del viento y corriente durante el fondeo (campaneo)
Durante el campaneo se dan los siguientes efectos:
- En las posiciones extremas (1 y 5) se producen esfuerzos laterales de la cadena sobre el ancla con peligro de que el ancla garree. El buque queda atravesado a la mar con los bandazos consiguientes.
- La cadena sufre estrechonazos (fuertes tirones) con la posibilidad de que falte.
- En las posiciones 1 y 2, si el ancla fondeada es la de estribor o la 4 y 5 si la fondeada es la de babor, la cadena trabaja sobre la roda con riesgo de averías al casco y cadena. Para evitar este campaneo, se puede fondear una segunda ancla, o lo que es mejor, virar y dejar el fondeadero.
11 Guardias de mar en situación de fondeo
Un buque fondeado no está exento de peligros, sino por el contrario también en esta situación se encuentra sometido a varios riesgos tales como:
- Garreo debido al viento, oleaje y/o la corriente
- Buques que se aproximen con riesgo de colisión
- Excesivo acercamiento con otros buques fondeados en el momento del borneo
- Peligro de embarrancamiento del buque propio al bornear, etc.
Por tal motivo, se hace necesario mantener un régimen de guardias de mar que evite el llegar a esta u otras situaciones. Tales guardias de mar se realizaran de acuerdo con un protocolo previamente establecido con diferentes aspectos tales como:
- Comprobación de la posición del buque con la periodicidad indicada por el Capitán. Como norma general, las marcaciones de fondeo deben verificarse al menos cada ½ hora, y con más frecuencia si existe oleaje, viento, corriente o si el buque se encuentra fondeado en una zona especialmente limitada por distancias y/o sondas; en tales casos, la máquina deberá estar en “Atención”.
- Si existe riesgo de abordaje con otro buque, el Oficial de Guardia dará al menos 5 pitadas cortas y rápidas, emitirá destellos con la lámpara de señales “aldis” y alertará a la tripulación y personal de maniobra para virar/filar cadena si es necesario.
- Permanecerá a la escucha en el canal 16 de VHF y los específicos de cada puerto.
- Avisará al Capitán en caso de que la visibilidad disminuya.
- Comprobará que el buque está adecuadamente iluminado, que exhibe las luces y marcas de fondeo y otras de acuerdo con el Reglamento; que las escalas, incluidas las de práctico se encuentran recogidas y a bordo.
- Se realizará un atento seguimiento de todas cuantas embarcaciones se aproximen al buque. Si alguna se abarloa, con intenciones de abordar al buque, se accionará la alarma general, se tacará el tifón, se tomarán precauciones para proteger las acomodaciones y se dará aviso urgente a las autoridades portuarias por medio de la radio.
- Se tomarán precauciones para evitar cualquier tipo de polución conforme a lo establecido por el convenio MARPOL.
12 Maniobra de levar anclas
Se entiende por levar a la maniobra de meter el ancla a bordo, virando de la cadena. Para llevar a cabo esta maniobra, primero se embraga el barboten, se afloja el freno y se da baldeo al escobén (caballo) para ir limpiando la cadena conforme se va cobrando, y evitando así que entre fango en la caja de cadenas. A la voz de “vira” o “leva” se pone en movimiento el molinete empezando a virar la cadena, examinando si viene clara y como trabaja procurando traerla siempre por la proa actuando con la máquina y el timón si es necesario. A medida que van subiendo los grilletes se van cantando al puente por voz y por toques de campana, tantos como el número de grillete que esté en el escobén. Cuando la cadena quede a pique con una longitud de cadena de aproximadamente el fondo, al momento siguiente despegará del fondo, se avisará al puente de que el ancla “zarpó” y se acompañará el aviso de un repique de campana. En ese momento se puede dar avante y empezar a gobernar con máquina y timón. Una vez que el ancla está a la vista fuera del agua, se da la voz “ancla arriba y clara” y se continúa virando hasta estibar la caña dentro del escobén y las uñas contra el costado. En el caso de que venga con las uñas hacia dentro, habrá que darles la vuelta, bien virando y desvirando o por medio de una gaza que se encapilla en una de las uñas para darles la vuelta. Una vez estibada en su sitio, a la orden del Puente, se arrancha a son de mar, dejando el molinete engranado, apretando el freno, afirmando el estopor y colocando las trincas. Se dará la orden de cortar el baldeo a proa.
13 Otras maniobras con un ancla
13.1 Orincar el ancla
Consiste en amarrar un cabo fino llamado orinque a la cruz del ancla con un boyarín para dejarla señalizada, bien como indicativo a los demás buques o para recuperarla posteriormente.
13.2 Acodar un buque por medio del ancla (método Báltico)
Se trata de una vez fondeado un ancla, dejarla trabajando en forma de codera. Primero viramos un grillete de cadena del ancla fondeada. Seguidamente y desde la gatera de la aleta correspondiente a la banda de fondeo, se lleva por fuera del costado un cable con grillete (codera) para hacerlo firme a la cadena del ancla por fuera del escobén. Una vez hecha firme la codera a la cadena del ancla y a una bita de popa, se fila cadena hasta que ambas trabajen de esprín.
Una de las aplicaciones de este método es para auxiliar al buque en una maniobra de atraque con viento fuerte de través.
– Se pasa un cable hasta proa, introduciéndolo por el escobén y entalingándolo al grillete de entalingadura por medio de un grillete.
– Se hace firme a popa y se da fondo.
– Se va lascando cadena, y cable según pida, hasta que el buque vaya alcanzando la posición del atraque.
Fig. 29: Acodar un buque por medio de ancla (método Báltico)
14 Vuelta de cadenas
Puede suceder que, al estar fondeado con dos anclas, el buque bornee y la cadena tome vueltas, dándose tres casos:
– cadenas en cruz, cuando monta una sobre otra. En este caso, se vira primero la cadena que queda por debajo de la otra
– cadenas en vuelta, cuando el buque bornea y da una vuelta completa.
– cadenas en zancadilla, cuando después de una vuelta completa ha quedado solo una cadena trabajando.
Fig. 30: Vuelta de cadenas
ForoNaval© 22/10/2023
TODOS LOS DERECHOS RESERVADOS.
Prohibida su reproducción total o parcial sin permiso o mención a sus autores.

































